Call us at
(02)2815-1106
webanswer@fotek.com.tw
English
繁體中文
简体中文
English
About Us
Latest News
Product Description
Photoelectric Sensor
K3&P3 SERIES Long Distance Photoelectric Sensor
LCT / LCG Series Water proof Lane Photoelectric Sensor
PP/PS/EX Series Mini Type Photo Sensor
SU Series Photoelectric Sensor
A3 Series Free Power Photo Sensor
E3 Series Free Power Photo Sensor
M18 Series Tubular Photo Sensor
MS Series Mini & Water-Proof Photo Sensor
SU Series U Type Photo Sensor
F Series Standard Type Photo Sensor
mF&FF Series Optical Fiber Sensor
FPR/FPT Series Fiber Cable Unit
RTM Series M18 Ultra Short Tubular Type Photo Sensor
AS Series Amplifier Separated Type Photo Sensor
E2/PH Series Mini Type Photo Sensor
FM/MS Series MARK SENSOR
LT M30 Series Long Distance Thru Beam Type Photo Sensor
K2 Series Compact Standard Photo-electric Sensor
US Series M18 Unit Sensor
T12 Series Infrared auto-door sensor
KU-30Series U Type Photo-electric Sensor
Photoelectric Sensor Accessories
Proximity Sensor
PS Series Inductive Proximity Sensor
PM Series Inductive Proximity Sensor
TW Series Two Wires Inductive Proximity Sensor
CP Series Capacitive Proximity Sensor
EX Series High compact Proximity Sensor
M12&M18 Series Linear Proximity Sensor
PSA For Power Clamps Proximity Sensor
Proximity Sensor Accessories
Controller
PWM-32 Series PWM FAN Controller
C Series Sensor Controller
FR Series Floatless Level Relay
PR Series Voltage & Phase Relay ( Controller )
PR-K Series Three Phase Detector
Pressure Meter & Transmitter
PRT&PRS&PRX Series Rotatable Digital Pressure Meter
PRK&PRZ Series Panel Type Digital Pressure Meter
PRD Series Compact Digital Pressure Meter
PRA&PRV Series Compact Pressure Transmitter
PRC Series Battery Type LCD Pressure Meter
DPM & WVM Series Wind Velocity Meter / Differential Pressure Meter
Flow Meter & Flow Controller
KT & AT Series Paddle Flow Meter / Flow Sensor
KTX & KTY Series Flow Meter & Flow Sensor
KTC Series Battery Type LCD Flow Meter
KI Series Inserted Type Paddle Flow Meter / Flow Sensor
ATF Series Thermal Mass Flow Meter
ATC Series Thermal Mass Flow Controller
KTF Series Thermal Mass Flow Sensor
Temperature Controller
NT Series PID Temperature Controller
NT-4M Series 4 Channels Temperature Control Module
MT Series PID Temperature Controller
TC Series Temperature Controller
TDX & TDZ Series Temperature Transmitter
HT-RS Series Transmitter & Meter
TR Series Temperature Transmitter
H5-AN Series Temperature Controller
DPM Series METER(DEW POINT & HUMIDITY & TEMPERATURE)
TS Series Temperature Sensor
CT-6P Series PCB Type Current Detector
HR Series Heat Runner Controller
Solid State Module (SSR)
SSR-DA Series Single Phase Solid State Module (SSR)
SSR-AA Series Single Phase Solid State Module (SSR)
SSR-DD Series Single Phase Solid State Module (SSR)
SSR-VA Series Single Phase Solid State Module (SSR)
SCR-LA Series Single Phase Solid State Module (SCR)
SSR-F-DA Series Single Phase Fuse Type Solid State Module (SSR)
SSR-F-AA Series Single Phase Fuse Type Solid State Module (SSR)
SCR-F-LA Series Single Phase Fuse Type Solid State Module (SCR)
HPR-DA Series Single Phase High Power Type Solid State Module (SSR)
HPR-AA Series Single Phase High Power Type Solid State Module (SSR)
SSR-K-DA Series Single Phase Heat Sink Type Solid State Module (SSR)
SSR-K-AA Series Single Phase Heat Sink Type Solid State Module (SSR)
SSR-K-DD Series Single Phase Heat Sink Type Solid State Module (SSR)
SCR-K-LA Series Single Phase Heat Sink Type Solid State Module (SCR)
SSR-Y Series&SSR-R Series Relay Type Solid State Module (SSR)
SSR-P Series & SSR-M Series PCB Type Solid State Module (SSR)
EZR-DA Series Single Phase Plug Type Solid State Module (SSR)
EZR-AA Series Single Phase Plug Type Solid State Module (SSR)
TSR-DA Series Three Phase Solid State Module (SSR)
TSR-AA Series Three Phase Solid State Module (SSR)
ESR-DA Series Three Phase High Power Type Solid State Module (SSR)
ESR-AA Series Three Phase High Power Type Solid State Module (SSR)
ASR-DA Series Single Phase Enhanced Heat sink Solid State module(SSR)
ASR-AA Series Single Phase Enhanced Heat sink Solid State module(SSR)
ACR Series Single Phase Enhanced Heat sink Solid State module(SCR)
ASR-F-DA Series Single Phase Fuse Type Enhanced Heat sink Solid State module(SSR)
ASR-F-AA Series Single Phase Fuse Type Enhanced Heat sink Solid State module(SSR)
ACR-F-LA Series Single Phase Fuse Type Enhanced Heat sink Solid State module(SCR)
LSR-DA Series Three Phase Enhanced Heat sink Solid State module(SSR)
LSR-AA Series Three Phase Enhanced Heat sink Solid State module(SSR)
LSR-F-DA Series Three Phase Fuse Type Enhanced Heat sink Solid State module(SSR)
LSR-F-AA Series Three Phase Fuse Type Enhanced Heat sink Solid State module(SSR)
SSR Series Accessories
Digital Power Regulator (SCR)
LCR Series Three Phase Enhanced Heat Sink Digital Power Regulator (SCR)
DSC Series Digital Power Regulator (SCR)
TSC Series Digital Power Regulator (SCR)
EPS Series Digital Power Regulator (SCR)
TPS Series Digital Power Regulator (SCR)
Spark Quencher
SQ Series Spark Quencher
Meter
APM Series Multi-function Power Meter
SM Series Tachometer & Line Speed Meter
MV/MA Series Preset Voltage Meter/ Preset Current Meter
AV/AA/DV/DA Series Voltage / Current Meter (Digital Meter)
DM/AM Series Multi-function Digital Meter
Digital Meter
Current Communication Module
TR Series 2 Wires Current or Voltage Transmitter
Timer
H3 Series Power On Delay Timer/Flicker/Y-△Starter
H2Y/H3Y Series Panel Type Power On Delay Timer
H5B Series DIN48*48 Type Power On Delay Timer/Flicker
TM48 Series DIN48*48 Type Free Power ON Delay Timer/Flicker
SY&H5T-4D Series Digital Power ON Delay Timer
STP-□D&H5M-4D Series Multi-Function Digital Timer
STP Series Multi-Range ON Delay Timer/Flicker
TDV&TDF Series Twin Timer & Defrosting Timer
MY Series Mini Type On Delay Timer/Flicker
OFF DELAY Series Timer
TM-□D Series Power ON Delay Digital Timer
TMP-□D Series Multifunction Digital Timer
G4Q Series Exchange Relay
TW Series Industrial Programmable Timre
TIMER SERIES SOCKET & ATTACHMENT
Counter
MC Series Multi-function Counter
MC Series Specific Counter
EMC Series High Speed Multi-function Counter
HC Series Digital Counter
SC Series Multi-function Counter
SC-□D Series Preset Digital Counter
SK-□D Series Power ON Reset Preset Digital Counter
H5C Series DIN48*48 Preset Digital Counter
MC-4D Series Digital Counter
Encoder
WE Series Wheel Type Length Encoder
30Φ MEN Series Magnetic Incremental Rotary Encoder
40Φ MES Series Magnetic Incremental Rotary Encoder
50Φ MET Series Magnetic Incremental Rotary Encoder
Plate MEP Series Magnetic Incremental Encoder
50Φ MAT Series Magnetic Absolute Rotary Encoder
EMS&EMK Series Incremental Magnetic Scale Sensor
Coupling
Magnetic Sensor
FC Series High Compact Magnetic Sensor
MS Series Magnetic Hall Sensor Sensor
General Use Light Curtain
LC&NA Series Light Curtain
LA Series Slim Type Light Curtain
LA-2Series & LA-4 Series Slim Long Type Light Curtain
Light Curtain Controller
Photoelectric Level & Capacitive Level Sensor
CP Series Capacitive Level Sensor
FL Series Photoelectric Level Sensor
Constant Voltage Regulator
AVR Series Constat Voltage Regulator
Particular Capacitive Sensor
CPS Series Capacitive Sensor
UV Sensor / Meter
UVA & UVC SENSOR / METER
Photoelectric Yarn Break Detector
YB Series Photoelectric Yarn Break Detector
Precision Ultrasonic Sensor
UX18 & PX18 Series Precision Ultrasonic Sensor
Leakage Sensor
CPLS & PHLS Series Leakage Sensor
EPLS Series Leakage Sensor
Where to Buy
Download
Contact Us
Home
Product Description
Solid State Module (SSR)
SSR-P Series & SSR-M Series PCB Type Solid State Module (SSR)
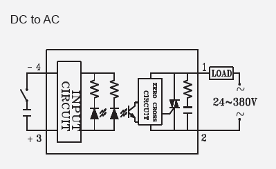
PCB Type-Single Phase DC to AC
SSR-P Series & SSR-M Series PCB Type Solid State Module (SSR)
product name:
SSR-P Series & SSR-M Series PCB Type Solid State Module (SSR)
model:
SSR-P03DA
Type:
PCB Type-Single Phase DC to AC
related products
SSR-P Series & SSR-M Series PCB Type Solid State Module (SSR)
SSR-M01DA
Specifications
Wiring Diagram
Dimensions
Product Manual
SSR-SSR-P03